 |
電話:021-51606288
51606278 51606268
傳真:021-51606258
|
節假日聯系方式 |
TEL:13321938988 陳先生
13370018911 |
|
|

|
|
性能特點
該泵為磁力泵技術高領域的結晶。凝結了寶恒泵業設計人員多年的心血,也是磁力泵中技術含量高的產品。
MP磁力泵設計特別、造形美觀、尤其是軸承采用特種配方陶瓷材料,具有極強的耐磨性和抗腐性,走出了磁力泵“嚴禁空載”的禁區,保證了它的先進性和安全性。
型號意義
 |
性能參數 |
|
型號 |
軟管接口 |
螺紋接口 |
流量
(L/min) |
揚程
(m) |
標準輸出 |
介質密度
(g/cm3) |
電機功率
(W) |
轉速
(r/min) |
電壓
(V) |
進口
(mm) |
出口
(mm) |
進出口
(mm) |
活管
(mm) |
流量
(L/min) |
揚程
(L/min) |
MP-6R |
14 |
14 |
- |
- |
8 |
1 |
2.8 |
0.8 |
<1.2 |
3 |
2900 |
220 |
MP-6RZ |
14 |
14 |
- |
- |
5.5 |
2.1 |
3.2 |
0.8 |
<1.1 |
3 |
2900 |
220 |
MP-10R |
14 |
14 |
- |
- |
11 |
1.5 |
5 |
1 |
<1.1 |
6 |
2900 |
220 |
MP-15R |
16 |
16 |
- |
- |
16 |
2.7 |
8 |
1.5 |
<1.3 |
10 |
2900 |
220 |
MP-15RM |
- |
- |
3/4 |
13 |
16 |
2.4 |
8 |
1.5 |
<1.3 |
10 |
2900 |
220 |
MP-20R |
18 |
18 |
- |
- |
27 |
3.1 |
17 |
2 |
<1.2 |
20 |
2900 |
220 |
MP-20RM |
- |
- |
3/4 |
16 |
27 |
3.1 |
17 |
2 |
<1.2 |
20 |
2900 |
220 |
MP-20RX |
26 |
26 |
- |
- |
46 |
1.8 |
30 |
1 |
<1.3 |
20 |
2900 |
220 |
MP-20RXM |
- |
- |
1 |
20 |
46 |
1.8 |
30 |
1 |
<1.3 |
20 |
2900 |
220 |
MP-20RZ |
18 |
18 |
- |
- |
10 |
4.6 |
7 |
4 |
<1.1 |
20 |
2900 |
220 |
MP-20RZM |
- |
- |
3/4 |
13 |
10 |
4.6 |
7 |
4 |
<1.1 |
20 |
2900 |
220 |
MP-30R |
20 |
20 |
- |
- |
33 |
3.8 |
16 |
2.5 |
<1.3 |
45 |
2900 |
220 |
MP-30RM |
- |
- |
3/4 |
16 |
33 |
3.8 |
16 |
2.5 |
<1.3 |
45 |
2900 |
220 |
MP-30RX |
26 |
26 |
- |
- |
62 |
2.9 |
32 |
2 |
<1.1 |
45 |
2900 |
220 |
MP-30RXM |
- |
- |
1 |
20 |
62 |
2.9 |
32 |
2 |
<1.1 |
45 |
2900 |
220 |
MP-30RZ |
18 |
18 |
- |
- |
15 |
8 |
10 |
6 |
<1.1 |
45 |
2900 |
220 |
MP-30RZM |
- |
- |
3/4 |
13 |
15 |
8 |
10 |
6 |
<1.1 |
45 |
2900 |
220 |
MP-40R |
20 |
20 |
- |
- |
45 |
4.6 |
22 |
4 |
<1.1 |
65 |
2900 |
220 |
MP-40RM |
- |
- |
3/4 |
16 |
45 |
4.6 |
22 |
4 |
<1.1 |
65 |
2900 |
220 |
MP-40RX |
26 |
26 |
- |
- |
75 |
3.3 |
47 |
2 |
<1.1 |
65 |
2900 |
220 |
MP-40RXM |
- |
- |
1 |
20 |
75 |
3.3 |
47 |
2 |
<1.1 |
65 |
2900 |
220 |
MP-55R |
26 |
26 |
- |
- |
60 |
5.6 |
30 |
4 |
<1.2 |
90 |
2900 |
220/380 |
MP-55RM |
- |
- |
1 |
20 |
60 |
5.6 |
30 |
4 |
<1.2 |
90 |
2900 |
220/380 |
MP-55RZ |
26 |
26 |
- |
- |
25 |
10 |
15 |
8 |
<1.1 |
90 |
2900 |
220/380 |
MP-55RZM |
- |
- |
1 |
20 |
25 |
10 |
15 |
8 |
<1.1 |
90 |
2900 |
220/380 |
MP-70R |
26 |
26 |
- |
- |
86 |
6.7 |
50 |
4 |
<1.1 |
150/180 |
2900 |
220/380 |
MP-70RM |
- |
- |
1 |
20 |
86 |
6.7 |
50 |
4 |
<1.1 |
150/180 |
2900 |
220/380 |
MP-100R |
26 |
26 |
- |
- |
120 |
8.6 |
60 |
7 |
<1.3 |
250/265 |
2900 |
220/380 |
MP-100RM |
- |
- |
1 |
20 |
120 |
8.6 |
60 |
7 |
<1.3 |
250/265 |
2900 |
220/380 |
MP-100RX |
- |
- |
11/4 |
32 |
170 |
9 |
100 |
5 |
<1.3 |
250 |
2900 |
220/380 |
MP-120R |
- |
- |
11/2 |
36 |
220 |
10.5 |
140 |
6 |
<1.3 |
370 |
2900 |
220/380 |
|
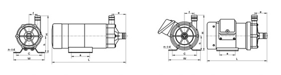
外形尺寸 |
|
型 號 |
a |
c |
n-Φd |
e |
f |
h |
H |
W |
L |
型 號 |
a |
c |
n-Φd |
e |
f |
h |
H |
W |
L |
MP-6R |
/ |
60 |
2-7 |
31 |
17 |
36 |
83 |
74 |
130 |
MP-40RM |
40 |
100 |
4-9 |
48 |
30 |
60 |
130 |
120 |
274 |
MP-6RZ |
/ |
60 |
2-7 |
31 |
17 |
36 |
83 |
74 |
130 |
MP-55R |
40 |
100 |
4-9 |
56 |
43 |
66 |
161 |
120 |
275 |
MP-15R |
49 |
68 |
4-6 |
38 |
23 |
45 |
100 |
82 |
197 |
MP-55RZ |
40 |
100 |
4-9 |
56 |
43 |
66 |
161 |
120 |
275 |
MP-20R |
30 |
68 |
4-6 |
39 |
29 |
56 |
116 |
85 |
209 |
MP-70R |
40 |
108 |
4-9 |
56 |
44 |
66 |
161 |
142 |
267 |
MP-20RZ |
30 |
68 |
4-6 |
40 |
40 |
56 |
126 |
85 |
212 |
MP-70RM |
70 |
108 |
4-9 |
53 |
44 |
66 |
156 |
142 |
264 |
MP-20RM |
30 |
68 |
4-6 |
34 |
29 |
56 |
117 |
85 |
205 |
MP-100R |
70 |
110 |
4-9 |
66 |
44 |
74 |
174 |
156 |
322 |
MP-30R |
40 |
100 |
4-9 |
48 |
30 |
60 |
130 |
120 |
250 |
MP-100RM |
70 |
110 |
4-9 |
66 |
44 |
74 |
174 |
156 |
322 |
MP-30RZ |
40 |
100 |
4-9 |
40 |
40 |
60 |
130 |
120 |
234 |
MP-100RX |
70 |
110 |
4-9 |
63 |
40 |
74 |
174 |
156 |
323 |
MP-30RM |
40 |
100 |
4-9 |
48 |
30 |
60 |
130 |
120 |
250 |
MP-120R |
98 |
110 |
4-12 |
80 |
51 |
93 |
208 |
140 |
359 |
MP-40R |
40 |
100 |
4-9 |
48 |
30 |
60 |
130 |
120 |
274 |
|
|
|
|
|
|
|
|
|
|
|
|
|
|