產品概述
ISGB(IRGB)型便拆式管道離心泵是上海寶恒泵業在ISG基礎上開發成功的一種結構新穎、技術先進的泵類產品。該泵在整體結構上進行大膽突破設計,采用獨立軸承體、泵軸支撐、解決了原來立式泵靠電機加長軸支撐的不足之處;葉輪、泵體采用現代化優秀水力模型設計制造,消除了原立式泵軸向力大的不足之處;電機采用Y系列標準通用電機,解決原立式泵加長軸電機配套更換難的問題;同時100%的便拆結構解決了更換大功率水泵的軸承、機械密封、葉輪、泵軸的難題。該泵與國內同類產品相比,具有運轉更平穩,使用壽命長,配套更方便,維護保養更輕松等無可代替的優點。是替代ISG型立式泵、IS型離心泵、S型雙吸泵等常規離心泵的理想產品。
適用范圍
1、ISGB清水離心泵,供輸送清水及物理性質似清水的其它液體之用,使用介質溫度不超過80℃,適用于工業和城市給排水、高層建筑增壓送水、園林噴灌、消防增壓、遠距離送水、采暖、浴室等冷暖水循環增壓及設備配套等。
2、IRGB熱水循環泵,適用于能源、冶金、木材加工、化工、紡織、造紙及飯店、浴室、賓館等鍋爐熱水增壓循環輸送及城市采暖系統循環用泵,使用介質溫度不超過120℃。
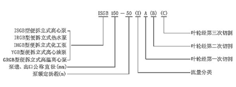
型號意義:

技術參數
流量:4-1450m3/h;
揚程:5-125m;
功率:0.37-250kw;
轉速:980、1450、2900r/min;
口徑:40-350mm;
溫度范圍:-20℃-+120℃。
注意事項
1:訂貨時請注明具體技術參數、使用工況以及使用介質特性,以便能為您選擇合適的產品。
2:泵長期運行后,由于機械磨損,使機組噪音及振動增大時,應停機檢查,必要時需更換易
損件(機械密封、軸承),機組大修期一般為5000-8000小時。
3:在場地不便、維修較困難的場合推薦使用此泵,缺點是價格較高。
4:此泵嚴禁長期處于低揚程狀態下運行,否則易使電機過載而燒毀。 |